D-Prime Fingerjoint Pine

“D” Prime Pine products are perfect for a smooth finish material often used for base trim, casing, ceiling & wall paneling and cabinets.  Disdero Lumber stocks 16’ primed finger-jointed S4S boards in many sizes accompanied by a reversible T&G paneling for two decorative options.  Our primed Pine is manufactured from a combination of clear Radiata & Ponderosa Pine using a water based primer and a superior NAFtype 1 exterior adhesive.
 

"D" Prime Pine is manufactured from a combination of Radiata & Ponderosa Pine

"D" Prime Pine is engineered and finger jointed with a superior formaldehyde free type 1 exterior adhesive.

"D" Prime Pine is primed with a water based primer

Primed Fingerjoint Pine Products

  • Product
    Dimensions
    Applications
  • S4S E4E FJ
    1/2x4,1x2 - 1x8,5/4x4 - 5/4x6
    Primed Interior Trim
  • S4S Square Edge FJ
    1x10 - 1x12
    Primed Interior Trim
  • Product
    Dimensions
    Applications
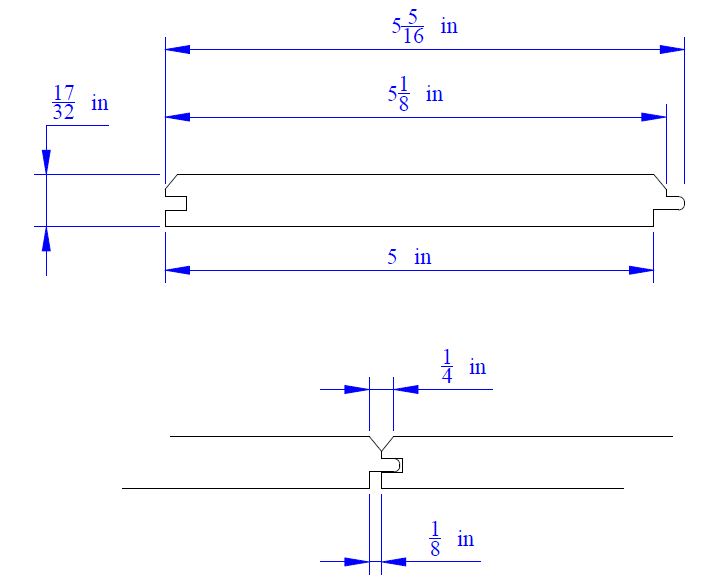
  • product CAD drawing Fingerjoint T&G VJ1S/EBCB
    5/8x4
    Primed Interior Trim
  • product CAD drawing Fingerjoint T&G VJ1S/EBCB
    5/8x6
    Primed Interior Trim
  • product CAD drawing Fingerjoint T&G 1/8" Fineline
    5/8x6
    Primed Interior Trim